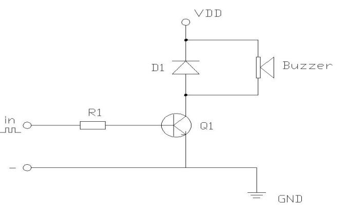
特點:
●體積?。?2x6.5mm)
●聲壓高(5V時≥80dB)
●消耗電流(≤50mA,5V2048HZ)
●安裝簡便(臥式插入焊接)
電性能參數
Model No | BCE-X12065-0520A |
Min Sound Pressure Level | 80dB at 2048HZ at 5Vo-p at 10cm |
Operating Voltage | 2~7V |
Max Current Consumption | <50mA |
Resonant Frequency | 2048Hz |
Coil lmpedance | 42±6Ω |
Housing Material | PPO |
Operating Temperature | -20℃~+70℃ |
Storage Temperature | -30℃~+80℃ |
Weight | 1.2g |



Copyright © 2022.常州市富盛星特電子有限公司 All rights reserved. 備案號:蘇ICP備2022025474號-1