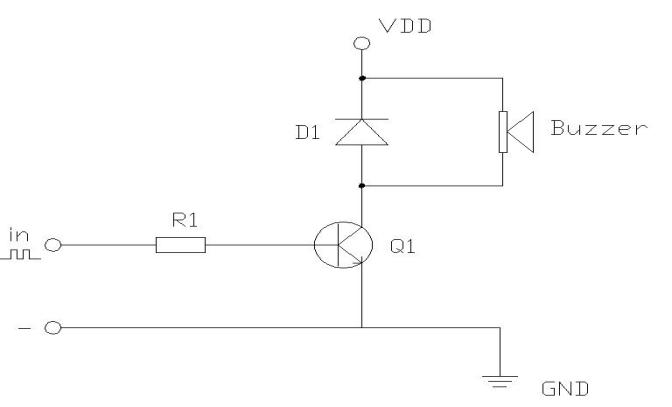
特點:
●體積?。?.5x7.5x2.5mm)
●聲壓高(3V時≥85dB)
●消耗電流(≤100mA,3.6V2.7kHZ)
●安裝簡便(編帶貼片焊接)
電性能參數
Model No | BCE-MX7525A-03627 |
Min Sound Pressure Level | 85dB at 2.7KHZ at 3.6Vo-p at 10cm |
Operating Voltage | 2~4V |
Max Current Consumption | <100mA |
Resonant Frequency | 2.7KHz |
Coil lmpedance | 16±3Ω |
Housing Material | LCP |
Operating Temperature | -30℃~+80℃ |
Storage Temperature | -40℃~+85℃ |
Weight | 0.3g |




Copyright © 2022.常州市富盛星特電子有限公司 All rights reserved. 備案號:蘇ICP備2022025474號-1