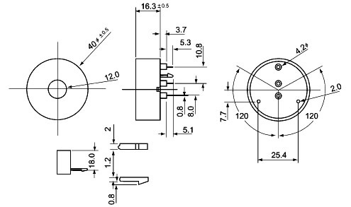
特點:
●體積小(40x16mm)
●聲壓高(9V時≥90dB)
●消耗電流小(≤10mA,9V3.4kHZ)
●安裝簡便(臥式插入焊接)
電性能參數
Model No | BCE-40334 |
Min Sound Pressure Level | 90dB at 9VDC at 30cm |
Operating Voltage | 3~30V |
Max Current Consumption | <10mA |
Resonant Frequency | 3.4±0.4KHz |
Capacitance at 120HZ | --- |
Housing Material | ABS777D |
Operating Temperature | -20℃~+70℃ |
Storage Temperature | -30℃~+80℃ |
Weight | 12.5g |




Copyright © 2022.常州市富盛星特電子有限公司 All rights reserved. 備案號:蘇ICP備2022025474號-1